BE electrique

Bureau etude electrique Bilan de puissance v2

Bilan de Puissance

Le bilan de puissance est une étape indispensable dans une installation électrique. Il prend en compte la totalité des puissances des appareils installés et leur utilisation.

Bureau etude electrique Plans d’exécution​ v3

Plans d’exécution​

Le plan d’implantation contiendra une représentation des équipements utiles (éclairage, prises, ascenseurs, extraction d’air…), mais aussi de certains éléments structurants de l’installation : tableaux, alimentations, chemins de câbles…

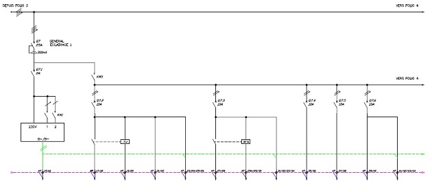
Bureau etude electrique Schéma armoire TGBT et Divisionnaire​

Schéma armoire TGBT et Divisionnaire​

Souvent réalisés après la note de calcul ou parallèlement, leur forme peut en être proche, mais ils contiennent en plus tous les détails de câblage des parties commande et mesure.

Bureau etude electrique note de calcul

Notes de Calcul​

Pourquoi une note de « calcul »? Elle permet de justifier notamment le dimensionnement des câbles et des protections, et permet de vérifier la conformité à la norme d’installation (NF C15-100 en France).

Bureau etude electrique cablage pieuvre electrique

Câblage Pieuvre Electrique

HMD Solution propose aux professionnels et particuliers une prestation sur mesure. Qu’il s’agisse d’une construction neuve, d’une rénovation de logements individuels ou collectifs, la création du câblage se fait toujours suivant les spécifications des clients.

Bureau etude electrique Etude d'éclairement

Etude d'éclairement ​

Pour éclairer une zone de votre habitation de manière efficace tout en créant un espace agréable à vivre, il convient d’apprendre à maîtriser quelques notions d’éclairage. 

Bureau etude electrique colonne montante v2

Etude colonne montante

Une colonne montante est l’alimentation électrique qui se situe dans les parties communes d’un immeuble. Elle relie les branchements de chaque logement au réseau public.

Sa mise en conformité est indispensable au bon fonctionnement de l’installation électrique mais aussi à la sécurité de l’immeuble et de ses habitants.

Bureau etude electrique Chiffrage des appels d’offres Electricite v3

Chiffrage des appels d'offres électricité​

HMD Solution réalise le chiffrage d’une installation électrique pour vous aider efficacement à répondre à vos Appels d’offres. Ce chiffrage prend en compte la main d’oeuvre ainsi que le coût d’achat du matériel.

Notre équipe spécialiste chiffrage a pour fonction d’estimer les coûts des travaux au plus juste prix, sur la base de métrés et autres pièces graphiques et écrites.

Intéressé Par Nos Services ?

Laissez-nous un message, nous vous contacterons dans quelques minutes :